Описание
Подробности
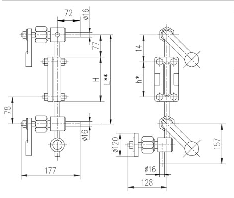
Указатель уровня Т-45-2
Т-45-2 указатель уровня жидкости прямого действия. Указатель предназначен для наблюдения за уровнем пароводяной среды в барабане котла или сосуда. Присоединение к патрубкам осуществляется путем сварки. Смотровые щели указателя уровня закрываются термозакаленным стеклом по ГОСТ 1663-81 (рифленое стекло №6 250х34х17). Указатель уровня устанавливается вертикально, продувочным вентилем вниз. Указатель уровня Т-45-2 изготавливается условным диаметром Ду10.
| Наименование | Указатель уровня |
| Шифр | Т-45-2 |
| Диаметр условного прохода, мм | 10 |
| Давление условное, МПа(кгс/см2) | 2,5(25) |
| Температура, ºС | не более 225 |
| Среда | Пар, вода |
| Видимое поле наблюдаемого уровня, мм | 202 |
| Строительная длина, мм | 400 |
| Длина, мм | 177 |
| Высота, мм | 402 |
| Масса, кг | 11.4 |

Состав указателя Т-45-2:
- Вентиль отключающий (верхний);
- Вентиль отключающий (нижний);
- Продувочный вентиль;
- Рамка (N6);
- Термостойкое рифленое стекло 250х34х17 по ГОСТ 1663-81;
- Прокладка;
Особенности установки указателей уровня Т-45-2 рассматриваемого типа:
- Монтаж осуществляется перпендикулярно диаметру трубопровода;
- Ориентация продувочного клапана — вниз;
- Приварка осуществляется без фланцев и арматуры запирающего типа;
- На указателях отмечаются максимальный и минимальный уровни рабочей жидкости.
Характеристики
Характеристики
| Диаметр условный,мм | 10 |
|---|---|
| Рабочая среда | Вода, Пар |
| Температура среды, °C | до +225 |
| Рабочее давление, МПа | 2.5 |
| Строительная длина, L=мм: | 400 |
| Масса, кг | 11.4 |
Отзывы
Напишите ваш собственный отзыв
Оставлять отзывы могут только зарегистрированные пользователи. Пожалуйста, войдите или зарегистрируйтесь
Напишите ваш собственный отзыв
Оставлять отзывы могут только зарегистрированные пользователи. Пожалуйста, войдите или зарегистрируйтесь


