Описание
Подробности
Задвижка 31с16нж
Задвижка 31с16нж применяется в качестве запорного устройства на трубопроводах транспортирующих воду, воздух, пар, аммиак, природный газ, нефть, нефтепродукты, жидкие и газообразнык углеводородные среды при максимальном давлении среды 1,6 МПа (16 кгс/см2) и максимальной рабочей температуры до +425 °С. В задвижках 31с16нж применяется двухдисковый клин. Уплотнение шпинделя - сальниковое. В верхнем положении затвора шпиндель имеет верхнее уплотнение по конической поверхности в крышке.
Тип: Задвижка клиновая с выдвижным шпинделем.
Принцип действия задвижки 31с16нж
При вращении маховика получает вращение резьбовая втулка, преобразующая вращательное движение в поступательное движение шпинделя и клина, тем самым открывая или закрывая проходное сечение.
Условия эксплуатации клиновой задвижки 31с16нж :
- Температура рабочей среды: от - 40 до + 425°С;
- Рабочая среда: Рабочая среда: вода, воздух, пар, аммиак, жидкие и газообразные углеводороды, нефть, нефтепродукты, природный газ;
- Климатическое исполнение и категория размещения по ГОСТ 15150-69: У;
- Направление потока среды: любое;
Технические данные клиновой задвижки 31с16нж :
- Привод: ручное (маховик);
- Номинальное давление PN, МПа (кгс/см²): 1,6 (16);
- Присоединение к трубопроводу: фланцевое по ГОСТ 12815-80;
- Установочное положение на трубопроводе: вертикальное, маховиком или электроприводом вверх, допускается отклонение до 90° в любую сторону;
- Регламентирующий документ задвижки 30с41нж: ТУ3741-001-07533604-94;
- Класс герметичности по ГОСТ 9544-93: «А»;
- Номер чертежа ЗКЛ2-16;
- Таблица-фигура: 31с16нж;/li>
Материалы основных деталей клиновой задвижки 31с16нж :
- Материал изделия (корпус): сталь 20Л;
- Материал изделия (крышка): сталь 20;
- Материал изделия (клин): сталь 30х13 , сталь 20 с наплавкой;
- Материал изделия (шпиндель): сталь 20х13;
- Материал изделия (набивка сальника): АГИ;
- Материал изделия (маховик): сталь 20Л;
- Материал изделия (наплавка на кольце в корпусе, наплавка на клине): тип 20х13;
Показатели надежности клиновой задвижки 31с16нж :
- Средний срок службы: 10 лет;
- Наработка на отказ, циклов: 400;
- Полный средний ресурс, циклов: 2000;
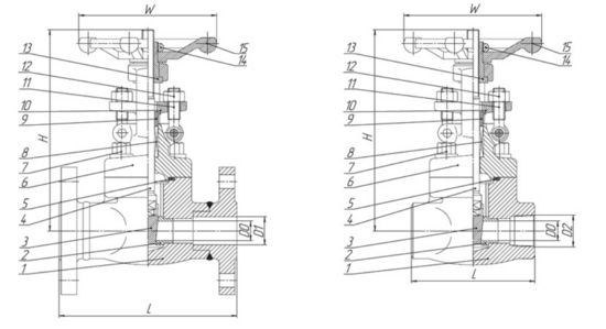
Устройство стальной клиновой задвижки 31с16нж (задвижка ЗКЛ2-16):
Указания мер безопасности при монтаже задвижки 31с16нж :
- К монтажу, эксплуатации и обслуживанию задвижек 31с16нж допускается персонал, прошедший соответствующее обучение по устройству задвижек, правилам техники безопасности, требованиям ТО, и имеющий навыки работы с запорной арматурой.
- Обслуживающий персонал, производящий регламентные работы, разборку, сборку и ремонт задвижки, должен пользоваться исправным инструментом, иметь индивидуальные средства защиты и соблюдать требования пожарной безопасности. Возможные неисправности и способы их устранения, порядок разборки и сборки задвижек, правила хранения и транспортирования приведены в руководстве по эксплуатации.
- Для обеспечения безопасной работы задвижки 31с16нж категорически запрещается:
- – использовать задвижки на рабочие параметры, превышающие указанные в данном ТО
- – эксплуатация задвижек при отсутствии эксплуатационной документации.
- – производить опрессовку трубопровода давлением выше рабочего при закрытом затворе задвижки.
- – разбирать задвижку, находящуюся под давлением.
- – необходимо установить фильтр магнитно-механической очистки по направлению потока среды до задвижек.

Характеристики
Характеристики
| Диаметр условный,мм | 100 |
|---|---|
| Давление PN (кгс/см2) | 10 |
| Способ монтажа | фланец |
| Класс герметичности | A,B,C |
| Материал исполнения корпусной детали: | сталь 20Л |
| Материал исполнения уплотнительных колец: | НЖ-нержавеющая сталь |
| Тип поворотного механизма | ручной (маховик) |
| Рабочая среда | Вода, Газ, Коррозионные вещества, Масла, нефть, Пар |
| Температура среды, °C | 425 |
| Температура окружающей среды -°C (min): | 60 |
| Температура окружающей среды +°C (max): | 40 |
| Климатическое исполнение | УХЛ-умеренный и холодный климат |
| Рабочее давление, МПа | 1 |
| Тип затворного механизма | клиновый |
| Строительная длина, L=мм: | 356 |
| Строительная высота, H=мм: | 941 |
| Межосевое расстояние фланцев, D=мм: | 158 |
| Масса, кг | 145 |
Отзывы
Напишите ваш собственный отзыв
Оставлять отзывы могут только зарегистрированные пользователи. Пожалуйста, войдите или зарегистрируйтесь
Напишите ваш собственный отзыв
Оставлять отзывы могут только зарегистрированные пользователи. Пожалуйста, войдите или зарегистрируйтесь


