Описание
Подробности
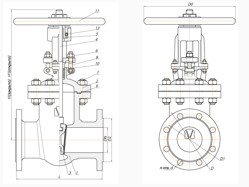
Задвижка 30с576нж стальная, клиновая, литая фланцевая с выдвижным шпинделем предназначена для установки в системных трубопроводах для перекрытия потоков воды, воздуха, пара, аммиака, природного газа, нефти, нефтепродуктов, жидких и газообразных углеводородных сред, не агрессивных к стали 25Л (35Л), имеющих рабочее давление 6,3 МПа (63 кгс/см2) и рабочую температуру от -40 до +425 °С. Задвижки, предназначенные для работы с газообразными средами, проходят дополнительную опрессовку воздухом. Задвижки 30с576нж изготавливаются диаметрами условными Ду50, Ду80, Ду100, Ду150, Ду200, Ду250, Ду300, Ду350, Ду400, Ду500, Ду600. Имеют фланцевое присоединение к трубопроводу (присоединительные размеры по ГОСТ 12821, исполнение 2). Строительные длины по ГОСТ 3706-83. Герметичность затвора по ГОСТ 9544-93 класс А. Уплотнение шпинделя - сальниковое. В верхнем положении шпиндель имеет уплотнение по конической поверхности в крышке. Направление подачи среды - с любой стороны магистральных фланцев. Управление задвижкой - ручное, с помощью маховика. Условия эксплуатации- климатическое умеренное У1, температура окружающего воздуха до -40°С.
Характеристики
Характеристики
| Диаметр условный,мм | 100 |
|---|---|
| Давление PN (кгс/см2) | 63 |
| Способ монтажа | фланец |
| Класс герметичности | A,B,C |
| Материал исполнения корпусной детали: | сталь 20Л |
| Способ изготовления основной корпусной части | литая |
| Материал исполнения уплотнительных колец: | НЖ-нержавеющая сталь |
| Тип поворотного механизма | ручной (маховик) |
| Рабочая среда | Вода, Масла, нефть |
| Температура среды, °C | 300 |
| Температура окружающей среды -°C (min): | 60 |
| Температура окружающей среды +°C (max): | 40 |
| Климатическое исполнение | УХЛ-умеренный и холодный климат |
| Рабочее давление, МПа | 6,3 |
| Устройство движения шпинделя | выдвижное |
| Тип затворного механизма | клиновый |
| Строительная длина, L=мм: | 350 |
| Строительная высота, H=мм: | 504 |
| Межосевое расстояние фланцев, D=мм: | 200 |
| Масса, кг | 98 |
Отзывы
Напишите ваш собственный отзыв
Оставлять отзывы могут только зарегистрированные пользователи. Пожалуйста, войдите или зарегистрируйтесь
Напишите ваш собственный отзыв
Оставлять отзывы могут только зарегистрированные пользователи. Пожалуйста, войдите или зарегистрируйтесь


