Описание
Подробности
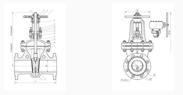
Задвижка 31с45нж стальная, компактная, литая фланцевая с выдвижным шпинделем предназначена для установки в системных трубопроводах для перекрытия потоков воды, воздуха, пара, аммиака, природного газа, нефти, нефтепродуктов, жидких и газообразных углеводородных сред, не агрессивных к стали 20Л (20Л), имеющих рабочее давление 16,0 МПа (160 кгс/см2) и рабочую температуру от -40 до +180 °С. Задвижки, предназначенные для работы с газообразными средами, проходят дополнительную опрессовку воздухом. Задвижки 31с45нж изготавливаются диаметрами условными Ду15, Ду20, Ду25, Ду32, Ду50, Ду80. Имеют фланцевое присоединение к трубопроводу (присоединительные размеры по ГОСТ 12821, исполнение 2). Строительные длины по ГОСТ 3706-83. Герметичность затвора по ГОСТ 9544-93 класс А. Уплотнение шпинделя - сальниковое. В верхнем положении шпиндель имеет уплотнение по конической поверхности в крышке. Направление подачи среды - с любой стороны магистральных фланцев. Управление задвижкой - ручное, с помощью маховика. Условия эксплуатации- климатическое умеренное У1, температура окружающего воздуха до -40°С.

Характеристики
Характеристики
| Диаметр условный,мм | 32 |
|---|---|
| Давление PN (кгс/см2) | 16 |
| Способ монтажа | фланец |
| Класс герметичности | А |
| Материал исполнения корпусной детали: | сталь 20Л |
| Материал исполнения уплотнительных колец: | НЖ-нержавеющая сталь |
| Тип поворотного механизма | ручной |
| Рабочая среда | Вода, Газ, Масла, нефть, Пар |
| Температура среды, °C | +180 |
| Температура окружающей среды -°C (min): | 40 |
| Температура окружающей среды +°C (max): | 40 |
| Климатическое исполнение | У-умеренный климат |
| Рабочее давление, МПа | 1,6 |
| Строительная длина, L=мм: | 280 |
| Строительная высота, H=мм: | 210 |
| Межосевое расстояние фланцев, D=мм: | 110 |
| Масса, кг | 15,3 |
Отзывы
Напишите ваш собственный отзыв
Оставлять отзывы могут только зарегистрированные пользователи. Пожалуйста, войдите или зарегистрируйтесь
Напишите ваш собственный отзыв
Оставлять отзывы могут только зарегистрированные пользователи. Пожалуйста, войдите или зарегистрируйтесь


