Описание
Подробности
Насос двустороннего входа 1Д250-125б
Насос 1Д250-125б
Насос типа Д – центробежный двустороннего входа, горизонтальный одноступенчатый с двусторонним полуспиральным подводом жидкости к рабочему колесу двустороннего входа и спиральным отводом.
Насос действует по принципу преобразования механической энергии привода в гидравлическую энергию жидкости за счет гидродинамического воздействия лопастной системы рабочего колеса, подвода и отвода.
Насос 1Д250-125б из-за наличия двустороннего рабочего колеса и двустороннего подвода жидкости имеют хорошую всасывающую способность и кавитационные качества.
Предназначение насоса 1Д250-125б
Предназначен для перекачивания воды и химически активных нетоксичных жидкостей (водородный показатель рН от 4 до 12), нефти, продуктов ее переработки с кинематической вязкостью до 10 - 4 м2/с и жидкостей с содержанием механических примесей не более 1% и с размером твердых частиц не более 0,2 мм.
Насос 1Д250-125б предназначен для водного хозяйства и жкх (водозабор, водоснабжение), для нефтегазовой отрасли, для теплоэнергетики, а также для металлургии, горнодобывающей промышленности и пожаротушения.
Особенности конструкции насоса 1Д250-125б
Материал основных деталей насоса 1Д250-125б: чугун СЧ 20 или СЧ 25; вала - сталь 45.
Корпус насоса имеет разъем в горизонтальной плоскости. Расположение всасывающего и напорного патрубка в нижней части корпуса насоса позволяет проводить ремонт без отключения труб и демонтажа двигателя. Двигатель приводит в действие ротор насоса через упругую втулочно-пальцевую муфту. Опорами ротора имеются радиальные или радиально-упорные подшипники. Рабочее колесо двустороннего входа, что обеспечивает равновесие осевых сил. Двойные сальниковые уплотнения надежно предотвращают протекание по валу.
Условное обозначение:
Например: 1Д200-90 а-т-А-Е-У 2, где :
1 - порядковый номер модификации насоса
Д - насос двустороннего входа
200 - подача, м3/ч (в номинальном режиме при номинальной частоте вращения, для основного исполнения по диаметру рабочего колеса)
90 - напор, м (в номинальном режиме при номинальной частоте вращения, для основного исполнения по диаметру рабочего колеса)
а - индекс обточки рабочего колеса : а, б –уменьшенные диаметры рабочего колеса, м - увеличенный.
т - тип уплотнения вала: без обозначения – двойной сальник, т – одинарное торцовое уплотнение. По требованию потребителя возможна установка двойного торцового уплотнения типа «тандем» или одинарного со вспомогательным.
А - исполнение по материалу проточной части (детали корпуса/рабочее колесо): без обозначения – серый чугун (СЧ 25), пкп - серый чугун с противокоррозионным покрытием проточной части корпуса и крышки; А- углеродистая сталь (сталь 25Л), К- хромоникелевая сталь типа 12Х18Н9Т; Б - рабочее колесо из бронзы
Е - индекс исполнения: Е - для насосов (агрегатов), предназначенных для эксплуатации во взрывоопасных - и пожароопасных производствах, без обозначения – для насосов (агрегатов), не предназначенных для эксплуатации во взрывоопасных и пожароопасных производствах;
У2 - климатическое исполнение и категория размещения.
График рабочих зависимостей 1Д250-125б (1450 об/мин)

График рабочих зависимостей 1Д250-125б (2900 об/мин)

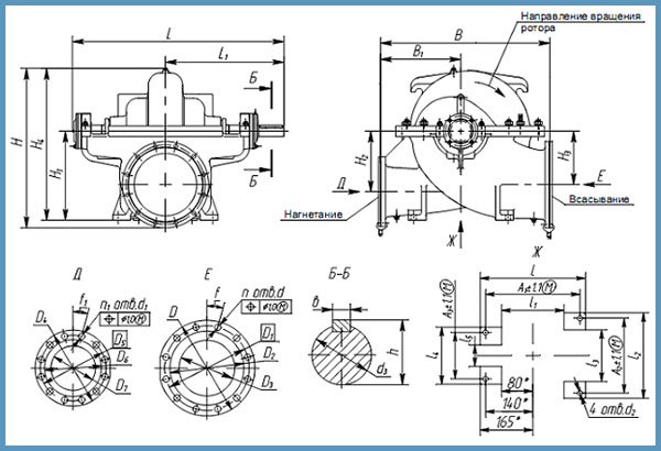
Габаритные и присоединительные размеры насоса 1Д250-125б

| Типоразмер насоса | Размеры, мм | |||||||||||||
| L | L1 | l | l1 | l2 | l3 | l4 | l5 | B | B1 | H | H1 | H2 | H3 | |
| 1Д250-125б | 766 | 420 | 355 | 165 | 370 | 220 | 250 | 100 | 550 | 250 | 515 | 260 | 190 | 170 |
| Типоразмер насоса | Размеры, мм | |||||||||||
| A1 | A2 | A3 | h | D | D1 | D2 | D3 | D4 | D5 | D6 | D7 | |
| 1Д250-125б | 270 | 320 | 200 | 39-0,29 | 260 | 225 | 202 | 150 | 215 | 180 | 158 | 100 |
Оплата и Доставка в Москве
Характеристики
Характеристики
| Q Подача (м3/ч) | 220 |
|---|---|
| H Напор (м) | 90 |
| Мощность | 18.5, 110 |
| n Частота вращен. (об/мин) | 1500;3000 |
| Исполнение по монтажу | горизонтальный |
| Габариты агрегата,(мм) | 1900х620х880 |
| Температура рабочей жидкости: от С до С | до 95 С |
| Плотность: не более кг/куб. м | 1100 |
| Объемная концентрация твердых фракций: не более % | 0,05% |
| Содержание твердых фракций размером: не более мм | 0,2мм |
| Кавитационный запас | 6,5 м |
| Материал проточной части | Серый чугун СЧ 20 |
| Габариты насоса,(мм) | 766х550х515 |
| Вес агрегата | 1000 |
| Вес насоса,(кг) | 165 |
Отзывы
Напишите ваш собственный отзыв
Оставлять отзывы могут только зарегистрированные пользователи. Пожалуйста, войдите или зарегистрируйтесь
Напишите ваш собственный отзыв
Оставлять отзывы могут только зарегистрированные пользователи. Пожалуйста, войдите или зарегистрируйтесь


